欢迎光临海原县人民政府门户网
登录个人中心
无障碍阅读
长者版
首页
政府信息公开
新闻中心
网上办事
政民互动
走进海原
饮水安全状况
首页 > 政府信息公开 > 法定主动公开内容 > 环境保护 > 饮水安全状况
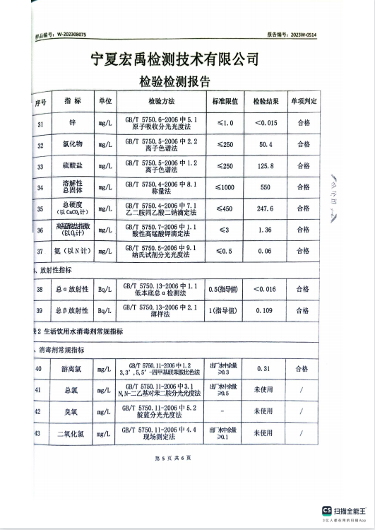
海原县2023年8月份自来水水质检验检测报告
索引号
640522008/2023-00032
文号
生成日期
2023-09-25 14:48:43
公开方式
主动公开
所属机构
海原县住建局
责任部门
海原县住房和城乡建设局
扫一扫在手机打开当前页
相关链接
国家及部委网站
中国政府网
各省区市政府网站
北京市人民政府
天津市人民政府
河北省人民政府
山西省人民政府
内蒙古自治区人民政府
辽宁省人民政府
吉林省人民政府
黑龙江省人民政府
上海市人民政府
江苏省人民政府
浙江省人民政府
安徽省人民政府
福建省人民政府
江西省人民政府
山东省人民政府
河南省人民政府
湖北省人民政府
湖南省人民政府
广东省人民政府
广西壮族自治区人民政府
海南省人民政府
重庆市人民政府
四川省人民政府
贵州省人民政府
云南省人民政府
西藏自治区人民政府
陕西省人民政府
甘肃省人民政府
青海省人民政府
宁夏回族自治区人民政府
新疆维吾尔自治区人民政府
香港特别行政区政府
澳门特别行政区政府
新疆生产建设兵团
自治区各部门网站
宁夏回族自治区人民政府
自治区发展和改革委员会
自治区教育厅
自治区科学技术厅
自治区工业和信息化厅
自治区民族事务委员会
自治区公安厅
自治区民政厅
自治区司法厅
自治区财政厅
自治区人力资源和社会保障厅
自治区自然资源厅
自治区生态环境厅
自治区住房和城乡建设厅
自治区交通运输厅
自治区水利厅
自治区农业农村厅
自治区商务厅
自治区文化和旅游厅
自治区卫生健康委员会
自治区审计厅
自治区外事办公室
自治区市场监督管理厅
自治区国有资产监督管理委员会
自治区广播电视局
自治区应急管理厅
自治区统计局
自治区体育局
自治区地方金融监督管理局
自治区信访局
自治区人民防空办公室
自治区机关事务管理局
宁夏广播电视台
宁夏各市县政府网站
银川市人民政府
兴庆区人民政府
金凤区人民政府
西夏区人民政府
永宁县人民政府
贺兰县人民政府
灵武市人民政府
石嘴山市人民政府
大武口区人民政府
惠农区人民政府
平罗县人民政府
吴忠市人民政府
利通区人民政府
红寺堡区人民政府
青铜峡市人民政府
盐池县人民政府
同心县人民政府
固原市人民政府
原州区人民政府
西吉县人民政府
隆德县人民政府
泾源县人民政府
彭阳县人民政府
中卫市人民政府
沙坡头区人民政府
中宁县人民政府
海原县人民政府
中卫市各部门网站
海原县党建网
微博
微信
手机app
便民服务
在线访谈
返回顶部